简体版| 繁体版
无障碍
当前位置:首页 > 政务公开 > 政府信息公开 > 法定主动公开内容 > 规划管理 > 规划公示 > 规划总平图公示

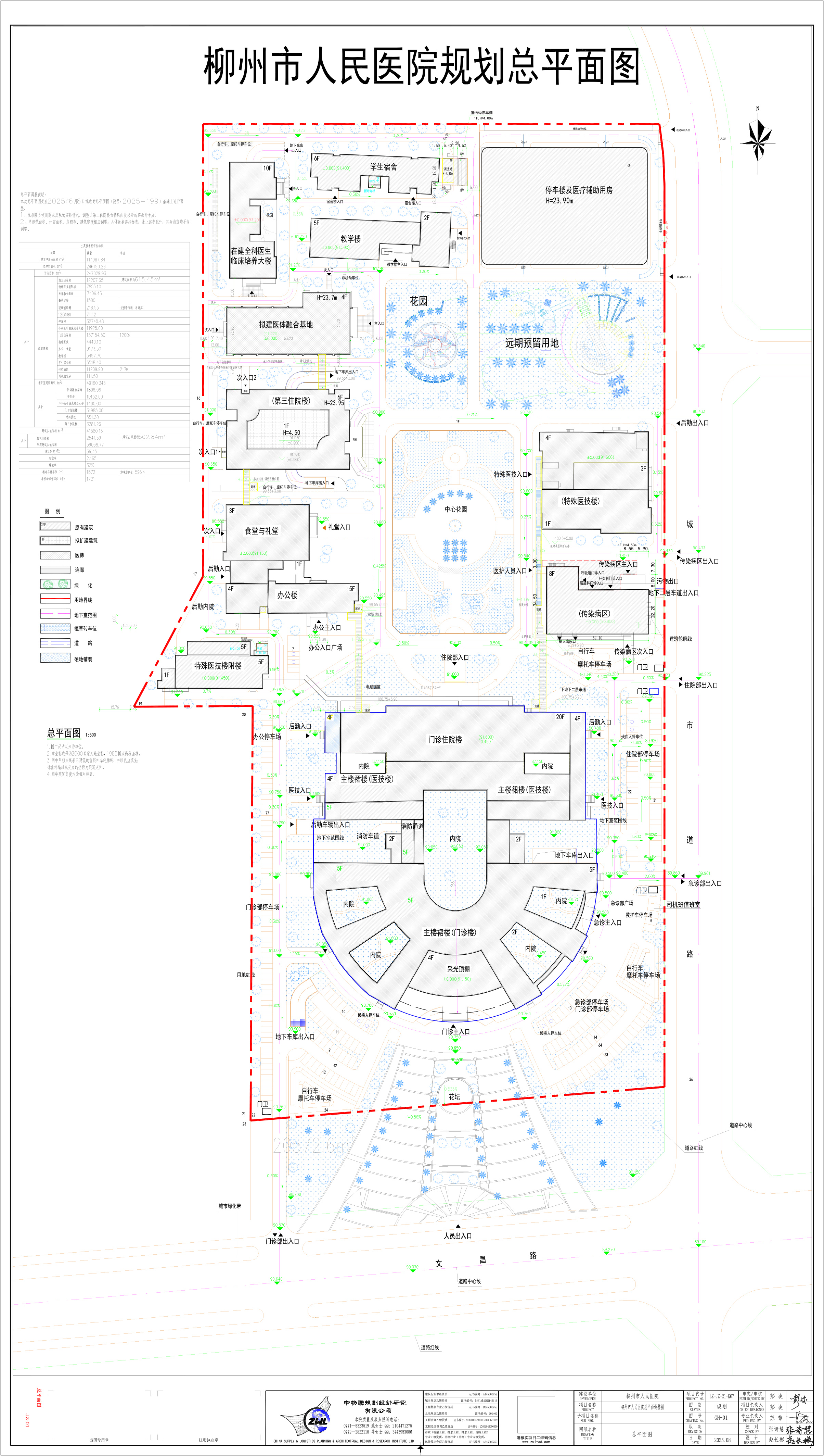
“柳州市人民医院功能完善提升工程总平调整”批前公示

2025-09-18 16:26     来源:柳州市自然资源和规划局
分享 微信
头条
微博 空间 qq
【字体: 打印

现对“柳州市人民医院功能完善提升工程总平调整”方案进行批前公示,公示期从2025年9月18日2025年9月24日。相关利害关系人对上述方案的意见,可以书面阐明观点理由的形式提出。有关书面意见请于2025年9月24日前送至柳州市自然资源和规划局政策法规科,联系电话:2825345。

关联文件: